



產品規格: 成套設備。
應用范圍: 焚燒爐采用公司自主研發的霧化器,其混合程度、霧化效果、燃燒速度及效率高,過??諝庀禂档停晒澕s大量燃料;霧化噴頭口徑大,對流體之粘度、雜質含量要求不高,不易堵塞;采用低壓噴霧方式,比高壓噴槍式安全,不易磨損,不易故障,燃燒效果好等優勢。
廢氣焚燒爐在工業生產過程中,產生了大量廢水,其中大部分是可以用常規生化或物理方式來處理,但還是有少量高濃度廢水,廢氣焚燒爐的COD高達十幾萬甚至上百萬,而且還含有機鹽,傳統的污水處理方法對此無能為力。
河南雙誠環境科技有限公司設計制造廢氣,廢液,固廢三廢焚燒治理設備的高科技企業,雙誠針對目前中國工業三廢污染的嚴重性,緊迫性,通過對國際三廢處理技術的精心調研,依托高等院校,引進國外的焚燒技術,結合生產中實際情況,廢氣焚燒爐采用固液兩用焚燒技術,國內的三廢焚燒處理系統方案,解決當今工業環境污染問題。
采用公司自主研發的霧化器,其混合程度、霧化效果、燃燒速度及效率極高,過??諝庀禂档?,可節約大量燃料;霧化噴頭口徑大,對流體之粘度、雜質含量要求不高,不易堵塞;采用低壓噴霧方式,比高壓噴槍式安全,不易磨損,不易故障,燃燒效果好等優勢。
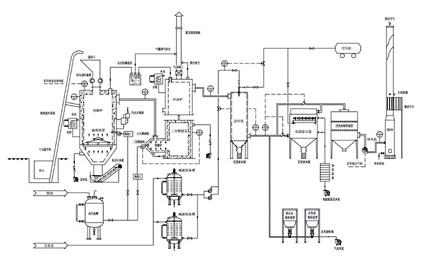
配圖:
Copyright 2022 河南雙誠環境 All Rights Reserved. 地址:河南省新鄉市新鄉經濟技術開發區廣源路和榆東街交叉口往南210米路西 備案號 豫ICP備13023472號-1 XML地圖 | 豫公網安備 41070402000132號